





Summary:
HG5 Glass plate level meter is made according to standard HG5-1364-80, featured with simple structure,convenient maintenance,safety,reliability and other characteristics and widely used to measure the liquid level in petroleum, chemical industry and other industrial areas.
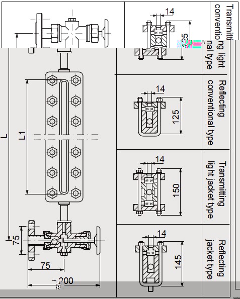
Structure Principle:
The installation flange on the upper and lower end of level meter connected with vessel to compose a communicating vessel,the actual level height in the vessel can be read directly through the glass.
Structure of level meter mainly includes transmitting light and reflecting.
There are safety steel balls installed in the upper and lower valve, when the glass plate damages accidently,the steel balls under the pressure in the vessel will automatically seal to stop the liquid flowing out.

Technical Parameter:
|
Table 1 |
|
Measuring Range:500,800,1100,1400,1700...(mm) |
|
Working Pressure:2.5,4.0,6.3MPa;0.6MPa(for R type) |
|
Working Temperature:(-20~250)℃ |
|
Valve closed automatic pressure:≥0.2MPa |
|
Process Connection:HGJ46-91 DN20 PN4.0 or PN6.3 convex surface |
|
Flange other standards(such as GB,HG,JB/T,ANSI,DIN |
|
etc),can be customized in ordering. |
|
Liquid Touching Material:Heat-resistant carbon steel;stainless steel |
|
Flow range:300~2000mm |
Type Selection:
|
HG5- |
Glass Plate Level Gauge |
|
||||||
|
|
A |
Flat flange |
|
|||||
|
B |
Raised surface flange |
|
||||||
|
|
T |
Transparent |
Basic Type |
|||||
|
R |
Reflex |
|||||||
|
|
□ |
Nominal Pressure |
Rated Pressure |
|||||
|
|
□ |
Flange Size |
|
|||||
|
|
I |
Carbon steel |
Main Materials |
|||||
|
II |
SS304 |
|||||||
|
III |
SS316,316L |
|||||||
|
|
□ |
L=mm |
Measuring Range |
|||||
|
|
|
|||||||
|
HG5- □ □ □ □ □ □ |
|
|||||||